4产品展示
东莞光栅尺
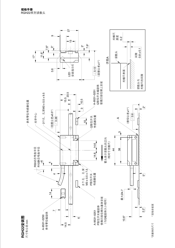
对于需要精确控制的运动,RGH22是理想的位置反馈解决方案。RGH22读数头坚固耐用,涵盖了RG2的所有特性,内置细分盒和方便读数头快速安装的集成LED安装指示灯。
 

东莞光栅尺

  • 详情说明

微信咨询